水泥鏈是斗式提升鏈的其中一種,此類鏈條應具有好的耐磨性和很高的強度。為了提高鏈條滾子和套筒的韌性和耐磨性,我們采用了二次熱處理的加工工藝,對鏈條的套筒和滾子先進行滲碳處理,然后再二次熱處理的方式,使套筒和滾子有較高的表面硬度,芯部也具有很好的韌性,大大提高了滾子套筒的壓潰試驗強度。由于該鏈條一般都為垂直使用,要求鏈條必須具備足夠的框架牢固度,我們采用了較大過盈量的配合要求,鏈條裝配由油壓機將各個零件裝配到位。提高了鏈條的整體牢固度。使鏈條運行時不會產生零件松動脫落的現象。
水泥鏈適用領域:水泥,礦山,糧食,鋼廠等行業。主要用于提升物料,工作環境較為惡劣,含有大量粉塵,和較硬的顆粒。
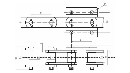
斗式提升機鏈(水泥鏈)

| Chain No. | Pitch P (mm) | Diameter of roller d1 (mm) | Diameter of pin d2 (mm) | Length of pin b2 (mm) | Inner width of inner link b1(min) (mm) | Thickness of sidebar T (mm) | Height of sidebar h2 (mm) | Height of attached plate h2 (mm) | Tensile strength Q (min.)(KN) |
| NE model lifting chain for elevators | |||||||||
| 101.6 | 26.5 | 11.5 | 70 | 27 | 6 | 35 | 35 | 128.1 | |
| 152.4 | 35 | 15.5 | 90 | 36.5 | 8 | 50 | 50 | 245 | |
| 152.4 | 35 | 15.5 | 90 | 36.5 | 8 | 50 | 110 | 245 | |
| 200 | 42 | 19.1 | 120 | 51.8 | 10 | 60 | 125 | 375 | |
| 200 | 48.5 | 22.23 | 120 | 57.8 | 10 | 60 | 125 | 375 | |
| 250 | 70 | 35 | 165 | 75 | 16 | 100 | 150 | 450 | |
| 250 | 63.5 | 31.75 | 146 | 67.4 | 12 | 90 | 150 | 450 | |
| 152.4 | 357 | 15.88 | 88 | 38 | 7.9 | 45 | 105 | 245 | |
| 152.4 | 35 | 15.88 | 86 | 36.5 | 7.9 | 45 | 120 | 245 | |
| 200 | 44.5 | 19.05 | 114 | 53 | 10 | 60 | 125 | 400 | |
| 200 | 44.5 | 19.05 | 114 | 53 | 10 | 60 | 125 | 400 | |
| 250 | 63.5 | 31.75 | 140 | 67.4 | 12 | 90 | 150 | 750 | |
| 152.4 | 34.93 | 19.05 | 94.5 | 38.1 | 9.5 | 50.8 | 120 | 312 | |
| 152.4 | 36 | 17.33 | 85 | 36.5 | 8 | 50 | 105 | 160 | |
| 200 | 38.1 | 15.77 | 86 | 36.5 | 8 | 45 | 125 | 312 | |
| 200 | 48.5 | 22.23 | 122 | 57.6 | 10 | 75 | 125 | 529 | |
| 152.4 | 31.75 | 15.77 | 109 | 54 | 9.6 | 38.1 | 139.7 | 145 | |
| 125 | 52 | 17 | 80 | 31 | 8 | 580 | 100 | 219.52 | |
| 152.4 | 34.93 | 15.88 | 86 | 36.5 | 7.9 | 45 | 120 | 160 | |
| 200 | 48.5 | 22.23 | 118 | 57.6 | 10 | 75 | 125 | 529 | |
| 250 | 70 | 35 | 165 | 75 | 16 | 100 | 150 | 1107 | |
| 152.4 | 35.7 | 15.88 | 88 | 38 | 7.9 | 45 | 105 | 160 | |
| 200 | 40.08 | 19.05 | 106.5 | 50.8 | 9.5 | 50.8 | 130 | 260 | |
| 250 | 73 | 38.5 | 183.5 | 82 | 16 | 115 | 180 | 1200 | |
| 250 | 70 | 35 | 165 | 75 | 16 | 100 | 150 | 1107 | |
| Dimensions of attached plate | |||
| Chain No. | d4 (mm) | L1 (mm) | L2 (mm) |
| 10 | 50 | 50 | |
| 15 | 75 | 70 | |
| 15 | 75 | 70 | |
| 15 | 75 | 70 | |
| 18 | 100 | 80 | |
| 18 | 140 | 100 | |
| 20 | 140 | 100 | |
| 15 | 75 | 70 | |
| 15 | 75 | 70 | |

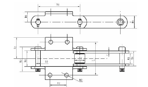
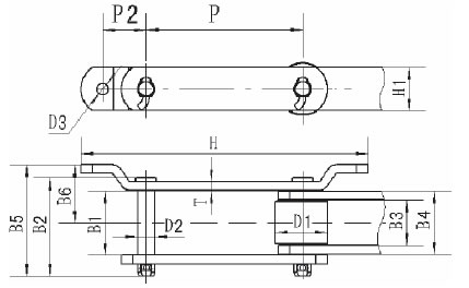
Bucket Lifter Chain
| Chain No. | Pitch P (mm) | Diameter of roller d1 (mm) | Diameter of pin d2 (mm) | Length of pin L (mm) | Inner width of inner link b1 (mm) | Thickness of sidebar T (mm) | Height of sidebar h2 (mm) | Height of attachment h2 (mm) | Tensile strength Q (min.)(KN) |
| 150 | 31.8 | 14.17 | 69 | 30 | 6.35 | 38.1 | 105 | 200 | |
| 228.6 | 62 | 24.2 | 136 | 64 | 13 | 70 | 70 | 440 |
| Dimensions of attached plate | |||
| Chain No. | d4 (mm) | L1 (mm) | L2 (mm) |
| 14 | 75 | 75 | |
| 17 | 355.6 | ||
![]() | ![]() |
| Chain No. | Pitch P (mm) | Inner width of inner link W (mm) | Diameter of roller D (mm) | Sidebar | Pin | Dimension of attachment | Tensile strength(KN) | |||||
| Height H (mm) | Thickness T (mm) | Diameter d (mm) | Length L (mm) | H2 (mm) | N (mm) | X (mm) | Y (mm) | |||||
| 100 | 51.8 | 44.5 | 60 | 10 | 19.1 | 111.5 | 150 | 18 | 100 | 105 | 420 | |
| 100 | 57.6 | 48.5 | 75 | 7.5 | 22.23 | 120 | 150 | 18 | 100 | 105 | 520 | |
| 125 | 67.4 | 63.5 | 90 | 12 | 31.75 | 139.3 | 180 | 18 | 125 | 130 | 735 | |
| 125 | 75 | 70 | 100 | 16 | 35 | 170 | 180 | 18 | 125 | 130 | 980 | |
| 125 | 75 | 71.5 | 102 | 16 | 36 | 165 | 180 | 18 | 125 | 130 | 1200 | |
| 125 | 75 | 75 | 105 | 16 | 40 | 165 | 185 | 18 | 125 | 136 | 1260 | |
| 150 | 85 | 85 | 125 | 16 | 48 | 180 | 226 | 22 | 150 | 165 | 1470 | |

| Model | P (mm) | B1 (mm) | D1 (mm) | H (mm) | H1 (mm) | T (mm) | B2 (mm) | D2 (mm) | L1 (mm) | L2 (mm) | D4 (mm) | B3 (mm) | B4 (mm) |
| 200 | 64.4 | 42 | 62 | 54.85 | 8 | 100 | 21 | 100 | 100 | 16 | 47 | 63.8 | |
| 150 | 43.6 | 31.8 | 38.1 | 39.8 | 6.35 | 69 | 14.17 | 75 | 75 | 14 | 30 | 43.2 | |
| 100 | 73 | 40.1 | 50 | 58 | 10 | 111 | 19.05 | 100 | 100 | 16 | 52 | 72.5 | |
| 100 | 79 | 50.8 | 72 | 64 | 10 | 120.5 | 25 | 100 | 100 | 18 | 57.5 | 78 | |
| 100 | 89 | 52 | 72 | 61.5 | 10 | 134 | 27 | 100 | 100 | 18 | 66.3 | 88.3 | |
| 125 | 79.8 | 50.8 | 70 | 63.5 | 10 | 101 | 24 | 125 | 110 | 22 | 57 | 79 | |
| 76.2 | 54.5 | 34.9 | 44.5 | 46.25 | 7.9 | 70.9 | 16 | 75 | 75 | 14 | 37 | 52.8 | |
| 100 | 73 | 40.1 | 50 | 58 | 10 | 111 | 19.05 | 100 | 100 | 16 | 52 | 72.5 | |
| 125 | 79.8 | 50.8 | 70 | 63.5 | 10 | 121 | 24 | 125 | 110 | 18 | 57 | 79 | |
| 100 | 80 | 50 | 75 | 60 | 10 | 120 | 26 | 100 | 115 | 16 | 55 | 75.9 | |
| 75 | 43 | 29 | 38 | 37.5 | 6 | 68 | 14.17 | 75 | 80 | 15 | 30 | 42.5 |

| Model | P1 (mm) | P2 (mm) | H1 (mm) | H2 (mm) | B1 (mm) | B2 (mm) | B3 (mm) | B4 (mm) | B5 (mm) | D1 (mm) | D2 (mm) | D3 (mm) | T (mm) | L (mm) |
| 152.4 | 60 | 45 | 79 | 61.7 | 94 | 44.5 | 61 | 38 | 57.2 | 15.77 | 14.8 | 8 | ||
| 152.4 | 60 | 45 | 77 | 57.5 | 89.5 | 39.5 | 56 | 38 | 38.1 | 17.33 | 13 | 8 | 120 | |
| 152.4 | 60 | 45 | 58 | 89.5 | 40 | 56 | 37.5 | 38.1 | 16 | 13 | 8 | 120 |

| Model | P(mm) | D1(mm) | D2(mm) | H1(mm) | B2(mm) | B1(mm) | T(mm) | Tensile strength(KN) |
| 228.6 | 76.2 | 25.4 | 63.5 | 114 | 6638 | 12.7 | 337.8 | |
| 228.6 | 108 | 31.75 | 88.9 | 170.2 | 77.72 | 15.88 | 995 | |
| 228.6 | 80 | 24.2 | 70 | 136 | 64 | 13 | 440 | |
| 228.6 | 62 | 24.2 | 70 | 136 | 64 | 13 | 440 |

| Chain No. | Pitch P (mm) | Inner width of inner link b1 (mm) | Diameter of roller d1 (mm) | Height of sidebar h1 (mm) | Thickness of sidebar T (mm) | Length of pin b2 (mm) | Diameter of pin d2 (mm) | Height of attached plate h2 (mm) | Tensile strength Q (min.)(KN) | ||
| L (mm) | f (mm) | h2 (mm) | |||||||||
| 100 | 20.5 | 44 | 26 | 4 | 42 | 9.54 | 40 | 69 | 25 | 82 | |
| 101.6 | 15.7 | 38.1 | 26 | 4 | 37.1 | 9.54 | 40 | 63.5 | 22.3 | 82 | |
| 101.6 | 31 | 44.45 | 38 | 7.9 | 75.5 | 15.88 | 40 | 110 | 35 | 140 | |
| 160 | 33.7 | 38 | 50 | 8 | 82.5 | 15.88 | 60 | 130 | 50 | 240 | |
| 160 | 36 | 37.5 | 40 | 6 | 73 | 15.88 | 60 | 130 | 35 | 180 | |
| 152.4 | 37 | 38.1 | 45 | 8 | 86.6 | 16 | 60 | 120 | 37.5 | 224 | |
| 152.4 | 40 | 38.1 | 45 | 8 | 89.6 | 16 | 60 | 120 | 37.5 | 224 | |
| 200 | 57.6 | 48.5 | 75 | 10 | 126 | 22.2 | 80 | 160 | 40 | 400 | |
| 250 | 67.4 | 63.5 | 90 | 12 | 146 | 31.25 | 120 | 200 | 75 | 580 | |
提升鏈
| ![]() |
| Chain No. | Pitch P (mm) | Inner width of inner link b1 (mm) | Diameter of roller d1 (mm) | Diameter of pin d2 (mm) | Height of sidebar h2 (mm) | Thickness of sidebar T (mm) | Hole height of attached plate (mm) | Central distance of attached plate L1(mm) | Hole diameter of attached plate d4 (mm) | Tensile strength Q(KN) |
| 180 | 85 | 53.5 | 33.2 | 100 | 15 | 200 | 280 | 18 | 950 | |
| 180 | 100 | 66 | 45.4 | 115 | 20 | 200 | 330 | 18 | 1500 | |
| 180 | 105 | 78 | 55 | 150 | 20 | 200 | 330 | 18 | 2000 |
Related Names
Lifting Chain | Drag Chain | Security Chain


